北京市朝阳区南磨房路37号华腾北搪商务大厦902、917室:010-51908276 / 010-51900901

镀银类导电粉体填料

2021/5/20分类:

镀银类导电粉体填料

银因具备最优常温导电性、最优导热性、最强的反射特性、感光成像特性和抗菌消炎特性等,成为电子工业不可缺少的材料。但由于近几年银价成本的迅速上升,人们一直在关注和研发镀银类导电填料,目的在于通过部分取代纯银浆料,降低综合材料成本,且维持其导电性或电磁屏蔽性下降不多。下面将重点介绍复合类型中的镀银类导电填料。

1镀银镍

镍自身的磁性使得产品颗粒在复杂的电路中有序排列在一起,在热、湿以及盐雾等极端环境中具有优良的环境稳定性,而且比纯银材料成本低。好的镀银镍粉可以达到与纯银接近的导电性和化学稳定性。这种材料具有优良的抗腐蚀性,并且作为填料在硅树脂弹性体中具有良好的稳定性。因此导电银包覆镍粉是可以用作导电橡胶,导电粘接剂和电子浆料(油墨)中的导电填料,为电磁以及无线电频率干涉屏蔽提供导电通道。另外,国外在尝试用镀银镍来取代纯银,拟用于光伏银浆,但尚未有商业化的产品出台。欧盟对于镍粉的使用比较谨慎,因其吸入后有致癌嫌疑。

2镀银镍包石墨

镀银镍包石墨是随着镀银镍的应用普及而涌现出来的新型导电粉体。镍包石墨比镍粉具有更低的比重,同等体积下重量添加量少,能有效降低最终导电产品的硬度。镍包石墨本身就具有良好的屏蔽性能,银包镍包石墨与镍包石墨相比,具有更优异的导电性能、屏蔽效能、优良的环境稳定性。


3镀银铜

相比其它几种镀银导电填料,铜镀银导电粉体具有最优良的导电性,由此制成的电磁屏蔽橡胶具有优异的耐电磁波脉冲(EMP)冲击性。因此,此类橡胶适用于军工领域,可作为波导和连接器的衬垫。但由于铜在较高温度下(大约 150-200℃ 以上)容易氧化并迁移腐蚀硅片,也限制了它在某些特定高端领域的应用,如烧结型光伏浆料或者中高温电子浆料。而在常温固化的电子浆料(导电油墨)或者导电漆中应用前景较为广泛。其中电子浆料要求导电填料粒径较细(通常为10μm 以下),而且在冷光片,多层PCB灌孔浆料,薄膜开关,柔性线路板甚至更高端的触摸屏等应用中,对导电性要求较高,因此除了本身需要较高镀银含量(大约20%-30% 以上),还需要和纯银浆按一定比例配合使用,才能达到降低成本和维持性能基本不变的双重目的。导电漆领域主要采用粒径较大( 10-40μm 均有)及银含量较低(5%-20% )的片状镀银铜,最终应用于手机、笔记本电脑、投影仪、通信设备等电子类产品的电磁屏蔽领域,此外还有颗粒状及树枝状镀银铜。


4镀银铝

由粒径较大的球状镀银铝制成的导电硅橡胶具有优良的屏蔽性能和抗盐雾性能,电化腐蚀较小,比镀银铜轻,但耐高温性能好,外观上也比较接近纯银,但导电性不及镀银铜。除了导电硅橡胶,部分光伏浆料厂商(尤其是背银部分)也在研发基于此类产品和银浆混合的浆料,当然相应粒径较小,不过由于颜色较深,焊接性较差,只能满足部分中端市场的要求。

5镀银玻璃

和镀银铜和镀银铝比较,玻璃镀银虽然导电性稍逊,但具有最佳性价比,同时比重较小(尤其是中空玻璃微珠),不易沉降,添加量少,具有较好的分散性和隔热效果。其中片状镀银玻璃适用于导电粘合剂、油墨、涂料等领域,而球状镀银玻璃因其耐剪切力优异,适用于电磁屏蔽硅橡胶等军用或通讯领域。


6镀银石墨片

由于石墨比重小,同等体积下添加量少,加之其本身化学稳定性较高,同时成本比铜铝镍等金属占优势,因此最近几年国内外有些厂家在关注和开发此类产品。

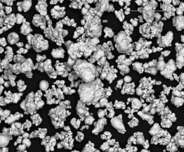
高导电性的镀银导电填料的关键技术在于银的包覆层(准微米厚度)是否完整致密均匀,且与基材有很好的结合力,如在外部应力(橡胶混炼中的剪切力)或高温高湿等恶劣环境下稳定存在。包覆方法包括电镀或化学镀。以银/铜粉为例电镀工艺流程为:铜粉—除油—浸蚀—活化—电镀—水洗—干燥—检验—封装待用。从外观来看,表现为镀银层细腻致密白亮,在 SEM下基本无漏镀点,极端环境条件下镀层也不易被破坏。在同等条件下,片状基材比球状基材较难包覆,因其比表面较大,容易包覆不全。另外,粒径较小的粒子比较难包覆银,比如 10μm 以下的镀银粉体填料。当然,还有其他方面的因素需要考虑,如粒径分布直接影响在树脂体系中的排列分布,从而显示不同的粒子间搭接状况和最终的导电性能。其它包括镀体系的选择和参数设定,包括碱度,络合剂,保护防沉降剂,反应温度等。最后的表面处理会很好的改善粉体在树脂体系中的分散性,但也可能影响最终产品的导电性。

作为一家精细化工产品的供应商,安特普纳公司提供以下导电粉体:

镀银金属粉:镀银镍粉、镀银镍包石墨、镀银铜粉、镀银玻璃珠、镀银铝粉

镍包石墨

银粉

镍粉