北京市朝阳区南磨房路37号华腾北搪商务大厦902、917室:010-51908276 / 010-51900901

镍包石墨在FIP导电胶中的应用

2021/6/21分类:

镍包石墨在FIP导电胶中的应用

通信基站又称无线基站,是实现信息化的战略性基础设施。随着国内5G产业的布局,5G超密集组网将会部署更多的基站。基站设备在运行过程中,一方面会向外辐射电磁波,干扰其他设备运行,危害民众健康;另一方面会受到外界其他电磁波的干扰。电磁屏蔽是解决电磁干扰的有效手段,在5G移动通信商用化的今天需求尤为迫切。

为防止信号的相互干扰,基站内部需要对电子元器件进行局部的电磁屏蔽处理。现场成型工艺(Form in place,简称FIP)可以精准地将导电胶涂在所需部位,工艺简单,可以在复杂表面成型,材料利用率高,非常适合基站设备的局部电磁防护,实现良好的电磁屏蔽效果。

FIP胶是一种复合导电屏蔽材料,主要由基体液态硅胶、导电粉体、溶剂、助剂组成。为适应5G高频信号的屏蔽要求,导电粉体的选择方面,一般选用高导电性的银系(纯银、银-铝、银-镍)导电粉体或在导电同时兼具高导磁特性的镍包石墨粉体。

镍包石墨粉体屏蔽效果远优于碳黑等普通屏蔽材料,在一定频率范围内屏蔽效果与银系材料相当,而成本仅为镀银材料的1/3-1/4,与纯银相比则成本更低,是一种理想的电磁屏蔽材料。基体液态硅胶起到粘结导电粉体的作用,导电粉体分散于其中制成具有高触变性的流体。

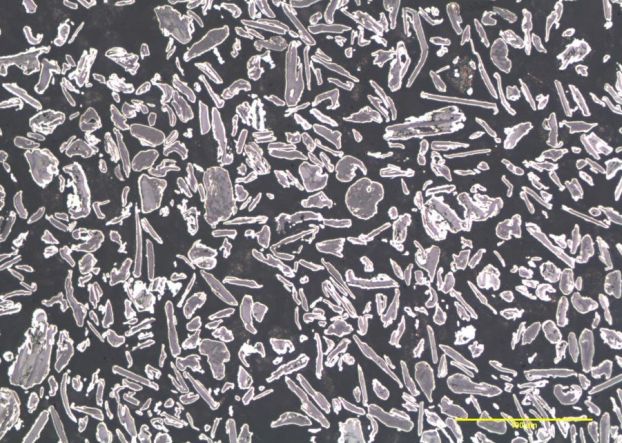
镍包石墨粉是低松比的高纯石墨粉和镍的结合,是一种轻质的导电屏蔽填充产品,除FIP导电胶之外,还广泛适用于导电硅胶、导电橡胶中。通过挤出、模压成型等方法加工成导电垫圈和密封圈及5G相关产品,也可用于双导电胶带的涂胶中。

镍包石墨的核心优势:

1 屏蔽性佳

相比其他导电硅胶中的导电填料,如炭黑、镀银材料和纯银,镍包石墨粉的屏蔽性能明显好于炭黑,略逊于纯银。已公布数据表明,在中低频频率范围下,镍包石墨粉的屏蔽性能和镀银材料相当。

2 与铝兼容

许多的导电垫圈的保护外壳都是铝制品。银和镀银材料可以产生电耦合,加速室外产品的腐蚀速度。而镍和铝制外壳有很好的兼容性。

3 性价比高

镍包石墨粉的价格只有镀银材料的1/3-1/4,与纯银相比则性价比更高。

安特普纳公司为FIP导电胶应用推荐以下牌号:

E-Fill 2709

50%镍包石墨——更低密度

50Ni/C50 —— 导电级

Oerlicon公司的导电填料2709经过优化,金属含量降低,适用于需要相对较大粒径的应用。2709是其姊妹产品2701的替代产品。低密度的2709在不影响性能的前提下减少了填料重量,更主要的是用2709填充的导电硅胶的弹性更好,密封效果更佳。

E-Fill 2701


60%镍包石墨

60Ni/C40 —— 导电级

Oerlicon公司的导电填料2701屏蔽有效性与镀银材料是相当的,较之成本却只是镀银材料的一小部分。E-Fill 2701被优化主要用于挤压,模压和密封垫圈用途从而满足理想的更低密度填料需求。E-Fill 2701应用于带涂层的法兰,表现优异。其棱角形状加上特有的硬镍镀层满足了我们衬垫材料“确保导电性的咬合”需要。与铝兼容,E-Fill 2701 可以提高抗电腐蚀性和在恶劣环境下的稳定性。

E-Fill 2805

75%镍包石墨

75Ni/C25 —— 导电级

Oerlicon公司的导电填料2805 应用于带涂层的法兰,表现优异。其棱角形状加上特有的硬镍镀层满足了我们衬垫材料“确保导电性的咬合”需要。与铝兼容,E-Fill 2805 可以提高抗电腐蚀性和在恶劣环境下的稳定性。

E-Fill 2806

75%镍包石墨

75Ni/C25 —— 导电级

Oerlicon公司的导电填料2806是目前粒径最细的片状形貌的镍包石墨粉体,更适合在需要精细尺寸的FIP点胶 中使用。

镀银镍包石墨

镀银镍包石墨是随着镀银镍的应用普及而涌现出来的新型导电粉体。镍包石墨抗老化性能非常优越,无沉降,比镍粉具有更低的比重,同等体积下重量添加量少,能有效降低最终导电产品的硬度。镍包石墨本身就具有良好的屏蔽性能,银包镍包石墨与镍包石墨相比,具有更优异的导电性能、屏蔽效能、优良的环境稳定性。

作为一家精细化工产品的经销商,安特普纳公司提供加拿大Oerlicon公司导电填料镍包石墨2709,2708,2707,2701,2702,2806,2805,2901以及镍包铝粉2778等多种产品供客户选择使用。