Room 902&917, Hua Teng Bei Tang Business Plaza, No.37 Nan Mo Fang Road, ChaoYang District. Bei Jing, China:86 188 1097 1621

The application and advantages of nickel-coated graphite in FIP conductive adhesives.

2023/12/29Classify:

The application and advantages of nickel-coated graphite in FIP conductive adhesives.

With the continuous advancement of industrial technology, there is an increasing demand for high-performance materials. Nickel-coated graphite, as a unique composite material, has garnered widespread attention due to its excellent electrical and thermal conductivity as well as high-temperature stability. Particularly in the Forming In Place (FIP) process, nickel-coated graphite has shown excellent application potential.


Nickel-coated graphite is a composite material formed by encapsulating graphite particles with nickel metal. This unique structure endows nickel-coated graphite with both the high electrical conductivity of nickel metal and the high-temperature resistance of graphite. Additionally, nickel-coated graphite exhibits excellent corrosion resistance and processing properties, allowing it to maintain stable performance in high-temperature, highly corrosive environments.



FIP adhesive is an advanced composite conductive shielding material processed through specialized techniques involving various polymer materials and conductive fillers. It exhibits outstanding conductivity and shielding effects, efficiently absorbing and reflecting electromagnetic waves, thereby reducing electromagnetic interference and radiation's impact on electronic devices. Additionally, FIP adhesive offers good adhesion and flexibility, allowing easy application to various complex structures and shapes of electronic devices, such as smartphones, computers, televisions, and more.

图片

The following grades are recommended by Entrepreneur for the application of FIP conductive adhesive:

E-Fill 2707

60% Nickel-coated graphite

60Ni/C40——Conductive Grade


The conductive filler 2707 from Oerlicon, also known as E-Fill 2707, is a unique spherical powder. The characteristics of this material enable its widespread application across multiple fields, including FIP, conductive tapes, adhesives, and epoxy resins. Its low-density nature makes it an ideal choice for applications requiring a reduction in weight load.


The D50 value of E-Fill 2707 is 20 micrometers, which is a highly significant parameter. D50 represents that within the particle size distribution of the conductive filler, 50% of the particles have a diameter smaller than or equal to this value. For conductive fillers, a smaller D50 value implies finer particle sizes, contributing to enhanced overall conductivity performance of the material.


It's worth noting that E-Fill 2707 is Oerlicon's finest nickel-coated graphite conductive filler in terms of particle size. These special graphite particles are enveloped by a thin layer of nickel metal, forming a unique nickel-coated graphite structure. This configuration not only enhances the material's conductivity but also strengthens its oxidation resistance and corrosion resistance. Hence, E-Fill 2707 is an indispensable material in numerous high-demand conductive applications.


The spherical morphology and narrow particle size distribution of E-Fill 2707 are its unique physical characteristics that make it particularly outstanding in specific applications. For instance, in conductive tapes with a 25-35 micrometer adhesive layer and in fine-pitch FIP shielding gaskets, E-Fill 2707 demonstrates excellent performance. Additionally, its spherical morphology and particle size distribution facilitate exceptional flowability during mixing and dispersion processes, simplifying production operations and enhancing efficiency.


Furthermore, the low-density nature of E-Fill 2707 contributes to improving product durability and reliability. This aspect holds significant importance in weight-sensitive scenarios such as aerospace and high-end electronic devices.

In addition to its excellent conductivity, E-Fill 2707 boasts extremely high chemical stability and thermal stability. It can maintain stable performance even in harsh environmental conditions, providing reliable assurance for various complex application scenarios. This makes E-Fill 2707 highly promising in fields such as electronics, batteries, sensors, and more.


The morphology of E-Fill 2707 particles.

图片


The parameters of E-Fill 2707

图片

E-Fill 2806

75% Nickel-coated graphite

75Ni / C25——Conductive Grade


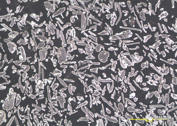
Oerlicon's E-Fill 2806 is a unique conductive filler known for its distinctive angular morphology and ultra-fine particle size. It's a flake-shaped nickel-coated graphite powder, and its fine particle size makes it particularly excellent for applications requiring precise dimensions, such as FIP dispensing. Beyond its outstanding performance in dispensing, E-Fill 2806 finds wide applications in various scenarios involving conductive fillers, including extrusion gaskets, molded sheets, and more.


The shielding effect of E-Fill 2806 is comparable to silver-plated materials, yet it significantly reduces costs. This notable advantage positions it as an extremely competitive choice in many electronic devices and components, especially in scenarios demanding efficient electromagnetic shielding without overly increasing expenses.


Moreover, E-Fill 2806 demonstrates exceptional performance in the application of coated flanges. Its unique angular shape combined with Oerlikon's proprietary hard nickel coating provides excellent interlocking for gaskets, ensuring optimal electrical contact. This characteristic makes E-Fill 2806 an ideal choice for applications requiring high conductivity and stability.

E-Fill 2806 exhibits good compatibility with aluminum, offering excellent resistance to galvanic corrosion and stability in various harsh environments. This aspect makes it an indispensable component in many high-demand industrial applications, such as aerospace, automotive, and electronics manufacturing.


The cross-section of E-Fill 2806 particles.

图片


The morphology of E-Fill 2806 particles.

图片


The parameters of E-Fill 2806

图片

As a distributor of specialty chemical products, Entrepreneur supplies Oerlicon conductive filler nickel-coated graphite.